关于我们|联系我们欢迎进入超高压手动液压泵,液压螺栓拉伸器,同步千斤顶,液压螺母-上海篆辰机械科技有限公司官网!

篆辰机械专注液压工具5年提供液压螺栓拉伸器|超高压手动液压泵|同步千斤顶|液压螺母

服务
热线
13914407961
当前位置:首页产品中心液压扭矩扳手

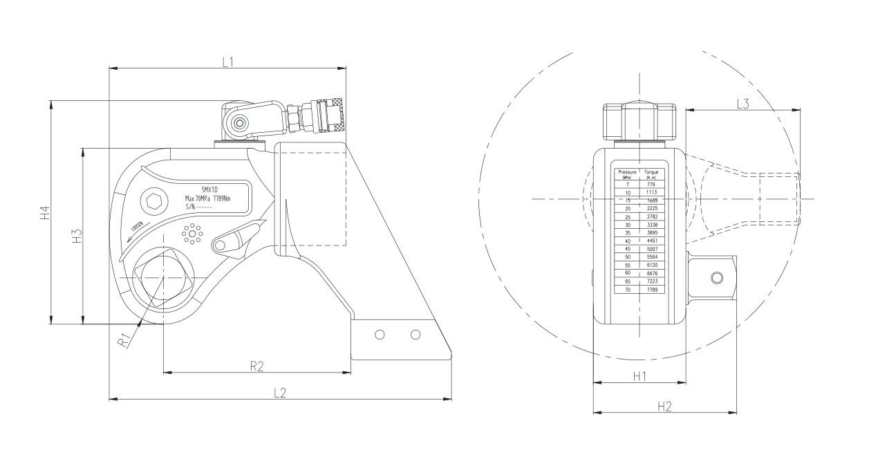
MXTD扭矩扳手

 



 

联系我们
销售热线:
13914407961

联系人:曹经理

QQ:1802923057

微信:zhuanchen518

地址:上海市奉贤区光明A3工业园区顺福路415号1幢301室